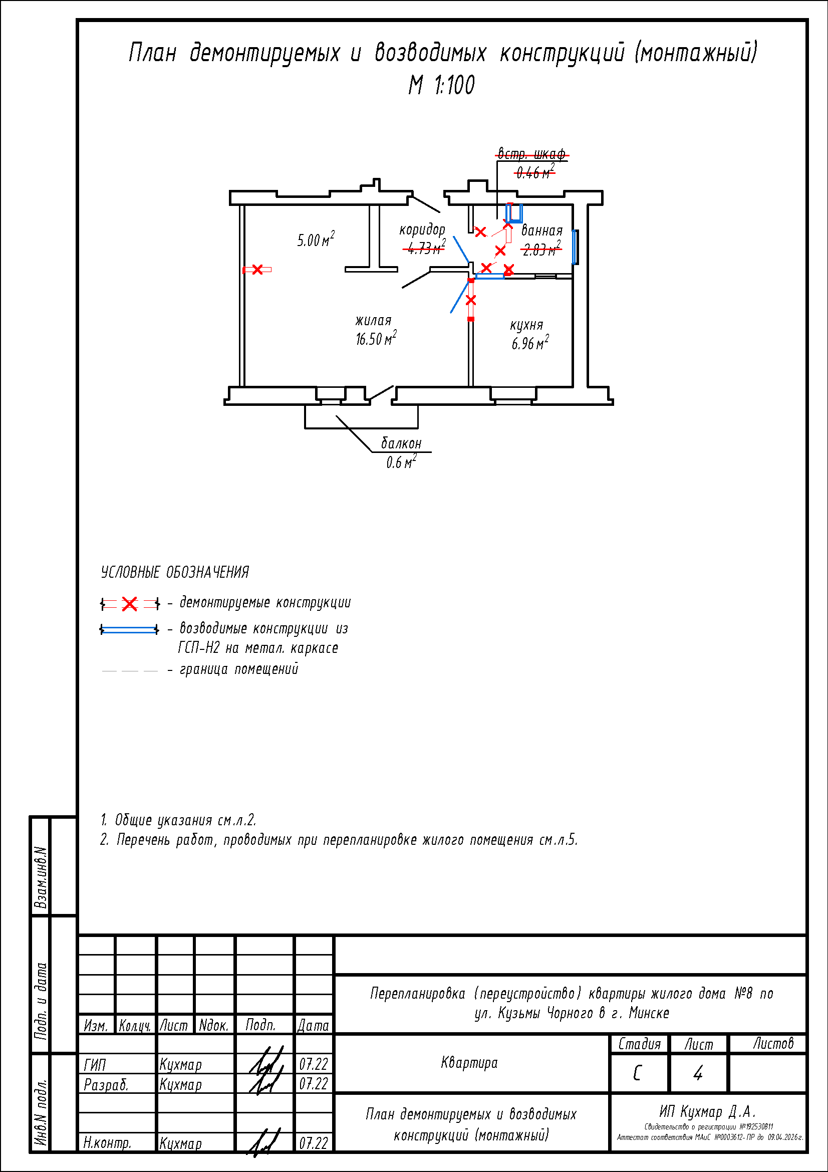
Перепланировка квартиры по ул. К. Чорного,8 в г. Минске
Пожелания заказчика:
- Демонтаж части перегородок с дверными проемами между встроенным шкафом, коридором и ванной, с целью увеличения площади ванной;
- Устройство зашивок коммуникаций на части площади ванной;
- Закладка дверного проема в перегородке между коридором и кухней;
- Устройство дверного проема с установкой дверного блока в перегородке между жилой и кухней;
- Демонтаж части перегородки в жилой комнате.
Нами были разработаны следующие разделы проектной документации для согласования в исполкоме:
- АС - архитектурно-строительные решения.
