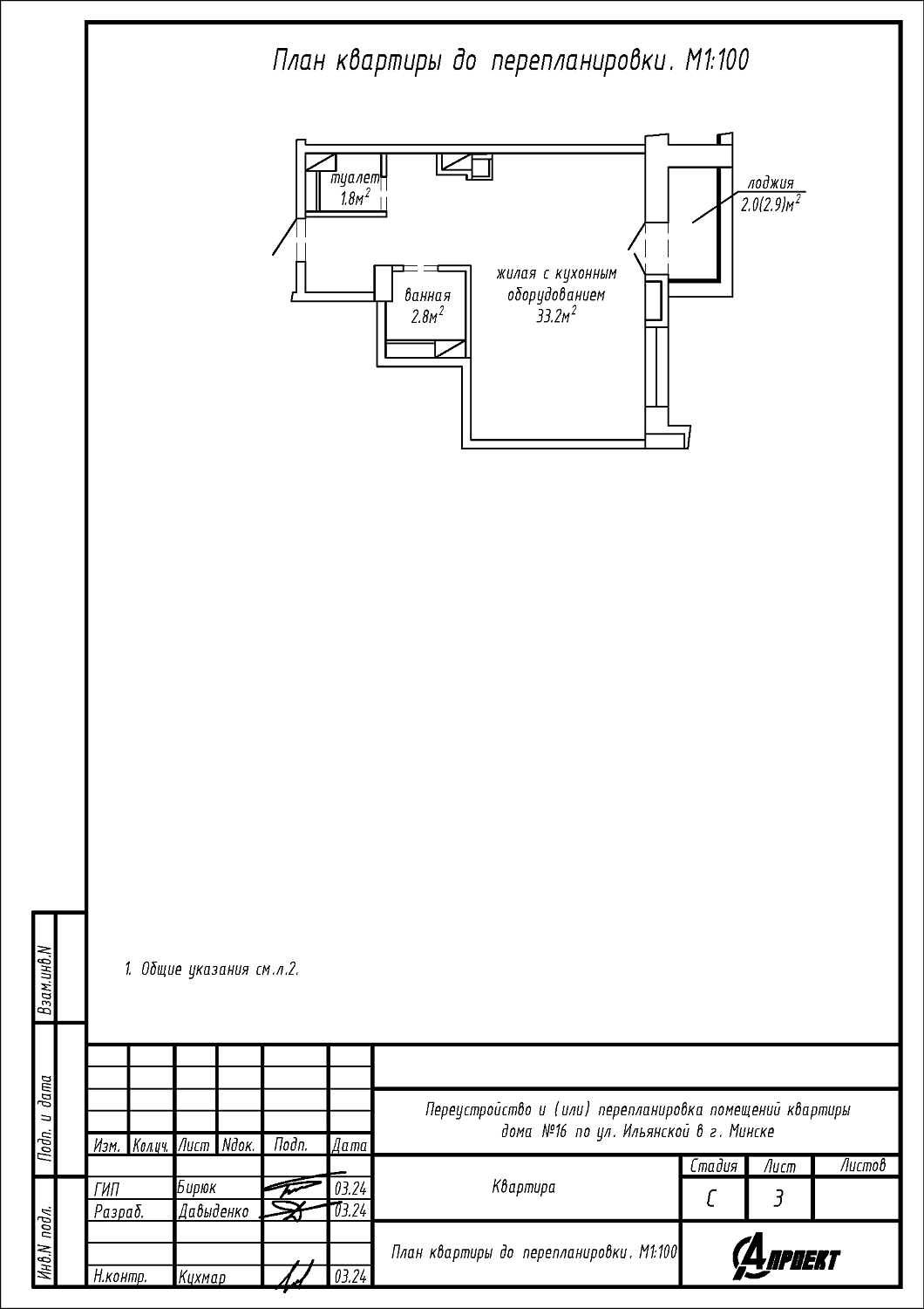
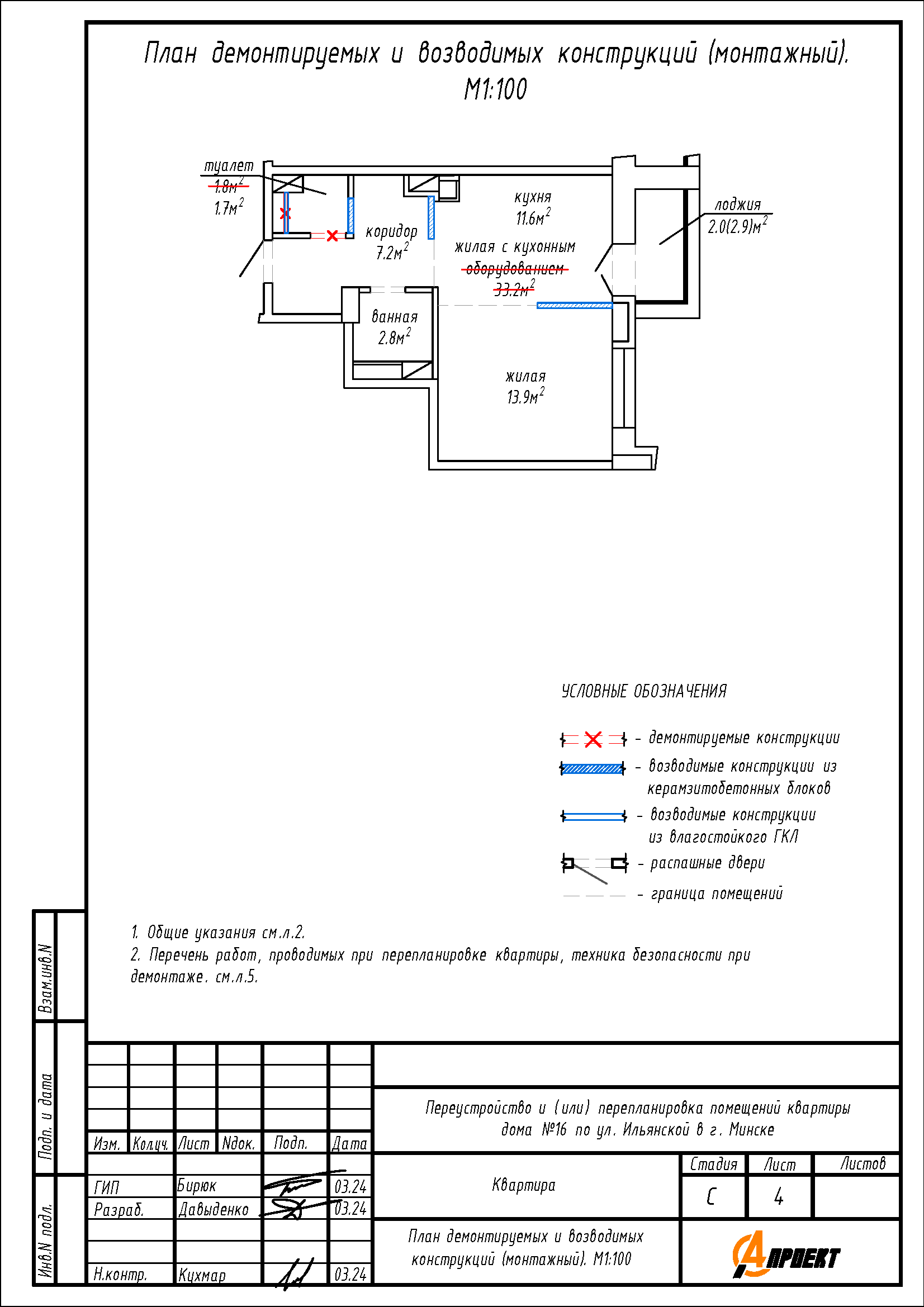
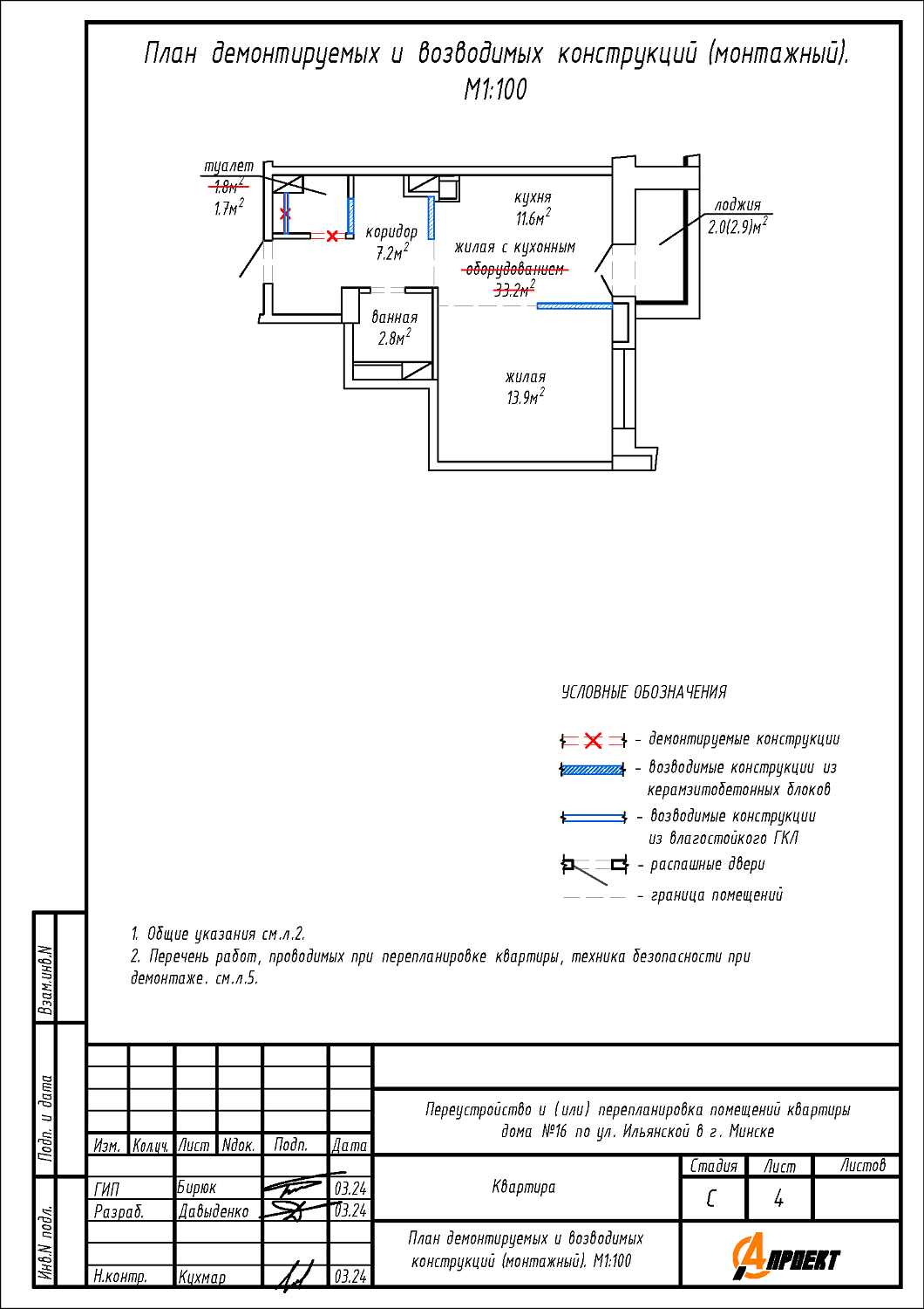
Перепланировка квартиры по ул. Ильянская, 16 в ЖК «Променад»
Пожелания заказчика:
- Разделение общей жилой с кухонным оборудованием на жилую с кухонным оборудованием, жилую и коридор;
- Смещение дверного проёма в туалете.
Нами были разработаны следующие разделы проектной документации для согласования в исполкоме:
- АС - архитектурно-строительные решения.
