Перепланировка квартиры по ул. Советская, 104 А в г. Заславль
Пожелания заказчика:
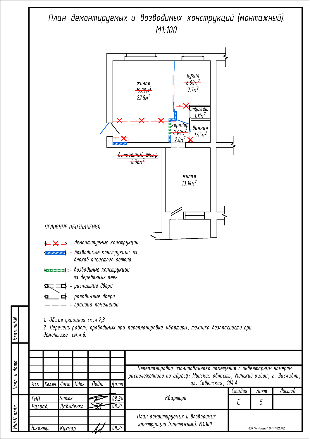
- Изменение площади жилой за счет демонтажа существующих перегородок, в том числе с дверным проемом, между коридором и жилой, коридором и встроенным шкафом с последующим устройством перегородки на площади коридора;
- Демонтаж части существующей перегородки между жилой и кухней (устройство дверного проема);
- Изменение площади кухни за счет демонтажа существующей перегородки с дверным проемом между коридором и кухней, с последующим устройством перегородки с дверным проемом на площади коридора;
- Демонтаж части существующей перегородки дверного проема между ванной и коридором с последующим устройством перегородки дверного проема между коридором и ванной (смещение дверного проема);
- Устройство дополнительной входной двери.
Нами были разработаны следующие разделы проектной документации для согласования в исполкоме:
- АС - архитектурно-строительные решения.
