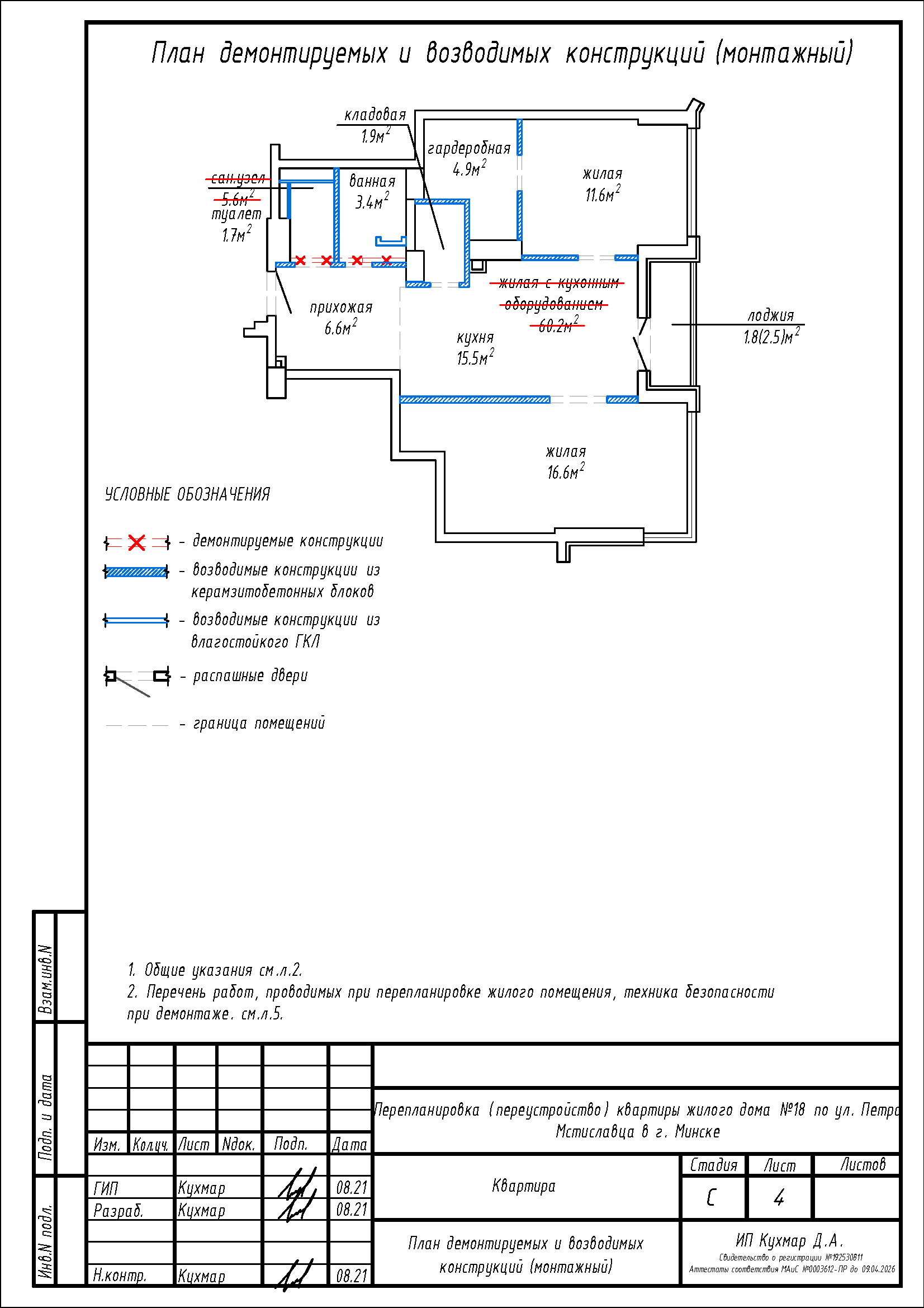
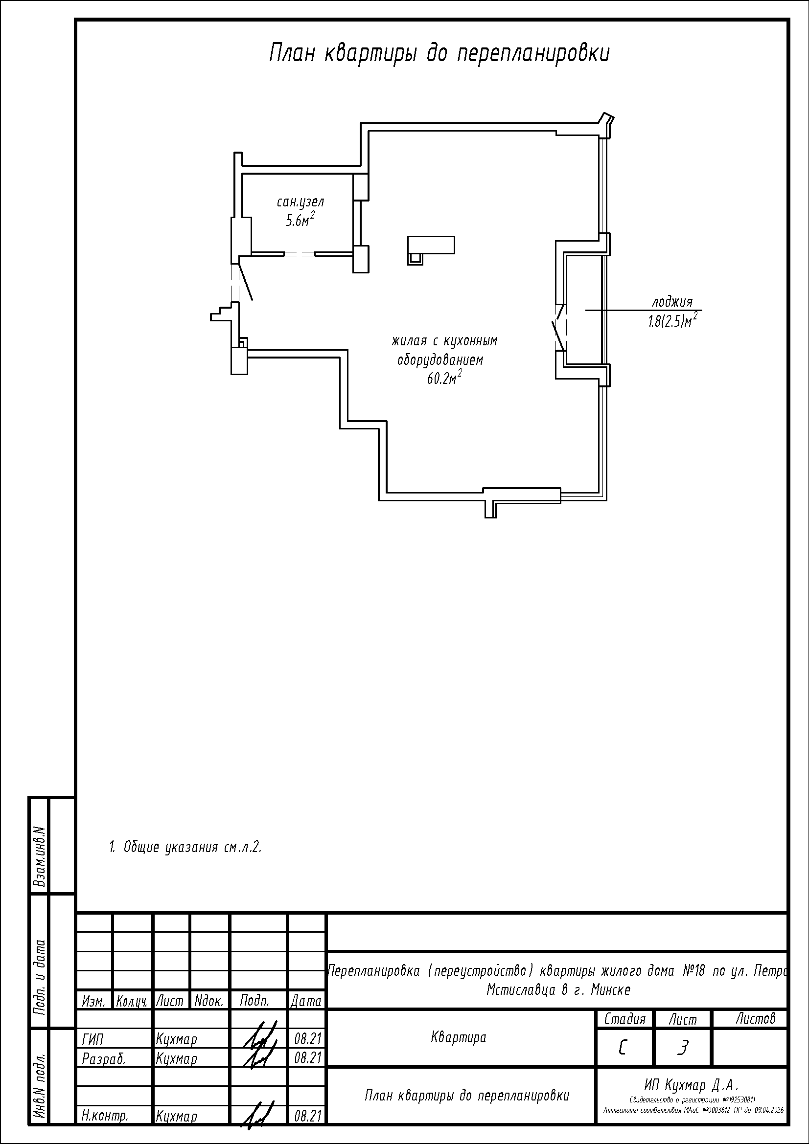
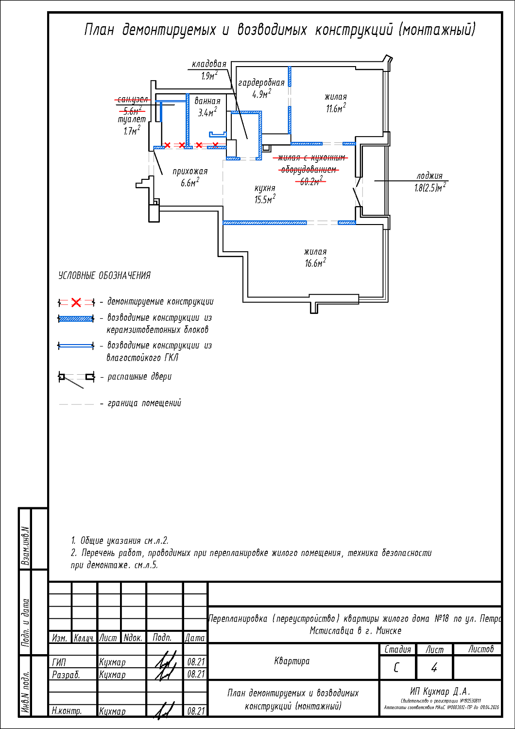
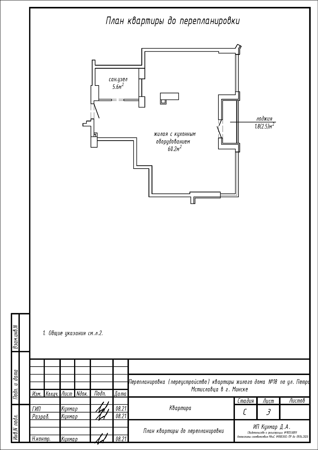
Перепланировка квартиры по ул. Петра Мстиславца, 18 в ЖК «Маяк Минска»
Пожелания заказчика:
- Разделение санузла на туалет и ванную;
- Увеличение туалета и ванной за счет жилой с кухонным оборудованием не более, чем на 25%;
- Разделение общего помещения жилой с кухонным оборудованием на две отдельные жилые, кухню, прихожую, кладовую и гардеробную;
- Перенос существующих отопительных приборов.
Нами были разработаны следующие разделы проектной документации для согласования в исполкоме:
- АС - архитектурно-строительные решения;
- ОВ - отопление и вентиляция.


