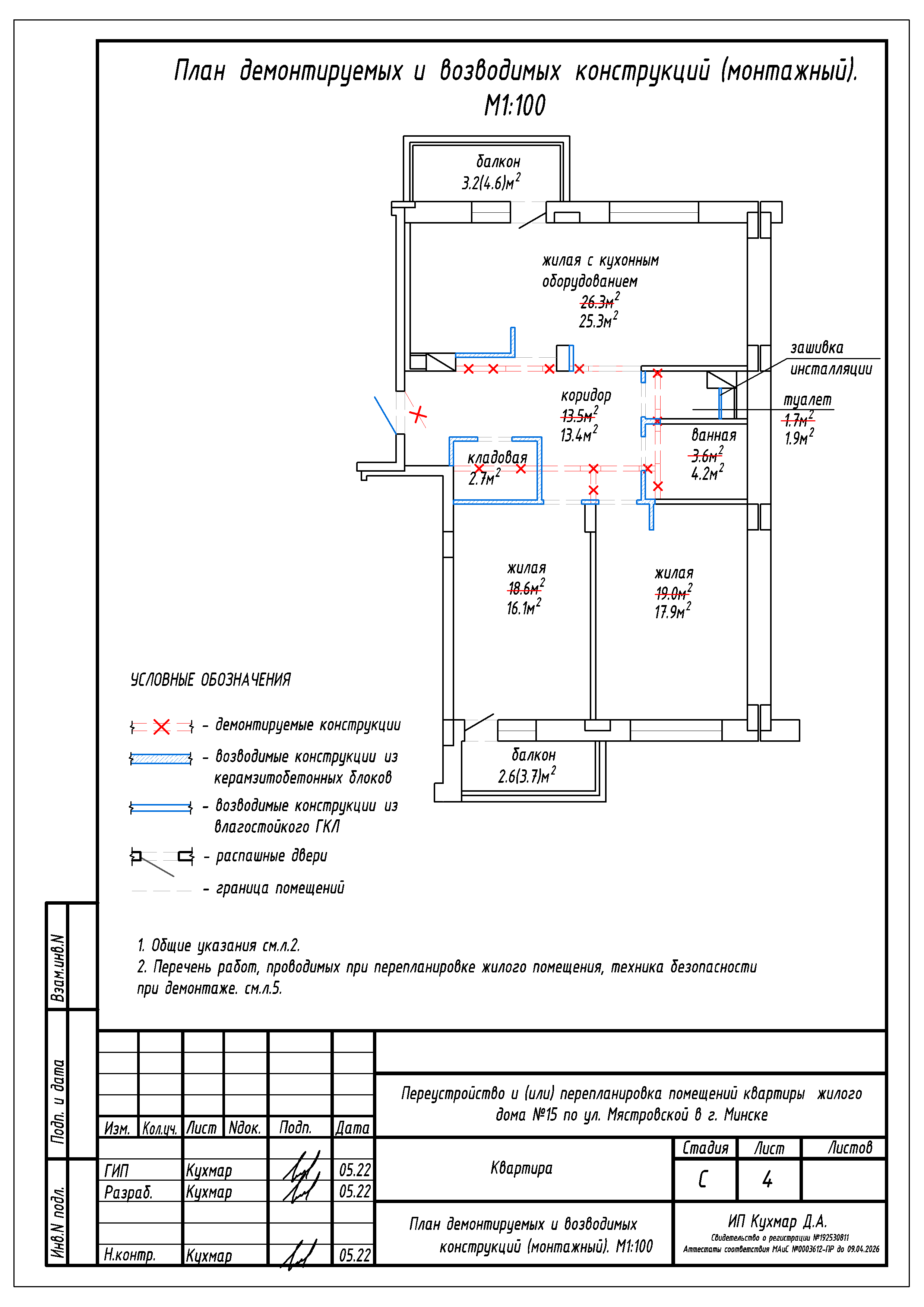
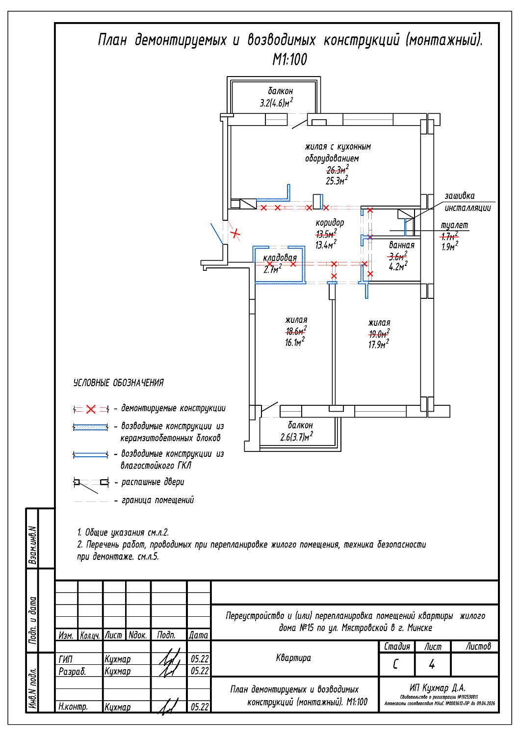
Перепланировка квартиры по ул. Мястровская, 15 в ЖК «Променад»
Пожелания заказчика:
- Демонтаж перегородки между жилой с кухонным оборудованием и коридором с целью устройства новой перегородки;
- Увеличение площади туалета и ванной за счёт площади коридора;
- Устройство зашивок инсталляции в туалете;
- Устройство кладовой на части площади коридора и жилой;
- Смещение дверного проёма между жилой и коридором;
- Демонтаж части перегородки в дверном проёме между жилой с кухонным оборудованием и коридором;
- Смена направления открывания входной двери.
Нами были разработаны следующие разделы проектной документации для согласования в исполкоме:
- АС - архитектурно-строительные решения.
