Реконструкция квартир (объединение) по ул. Лидская, 12 в г. Минске
Пожелания заказчика:
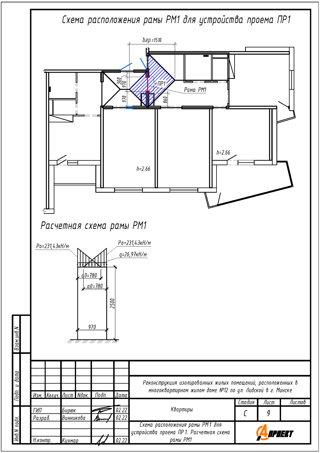
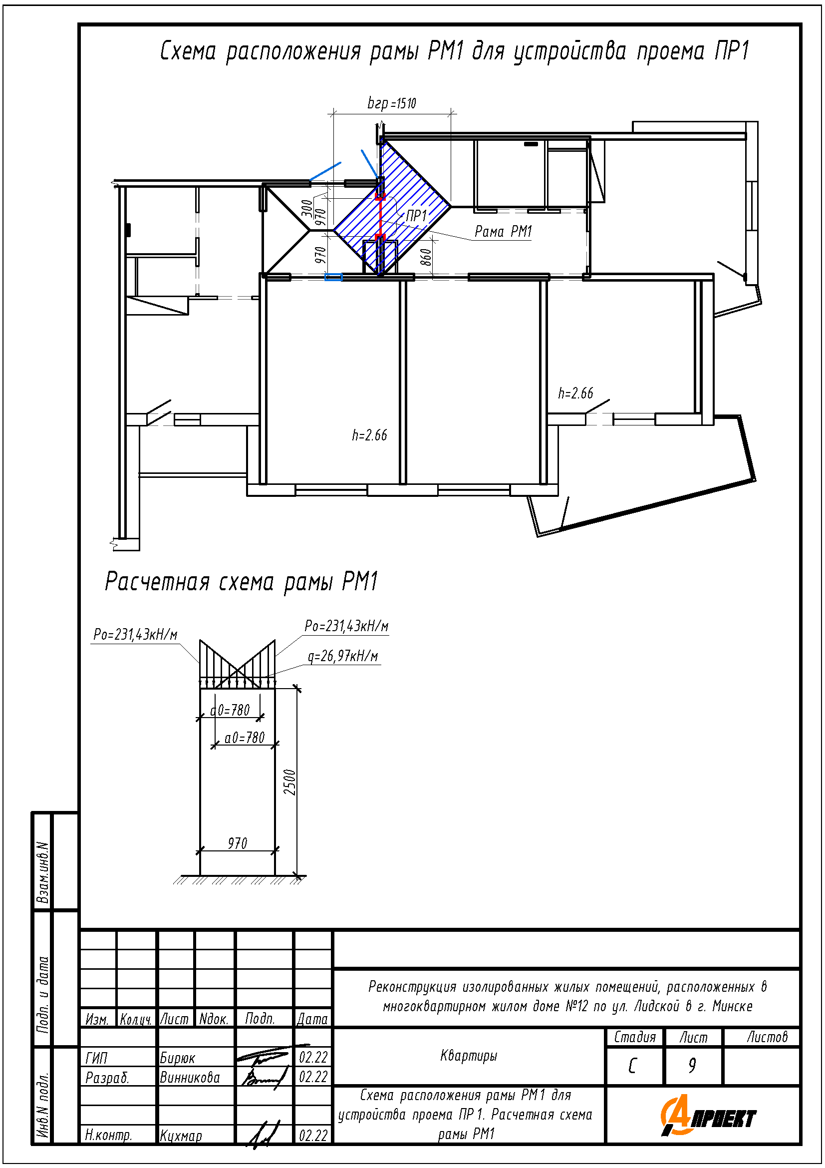
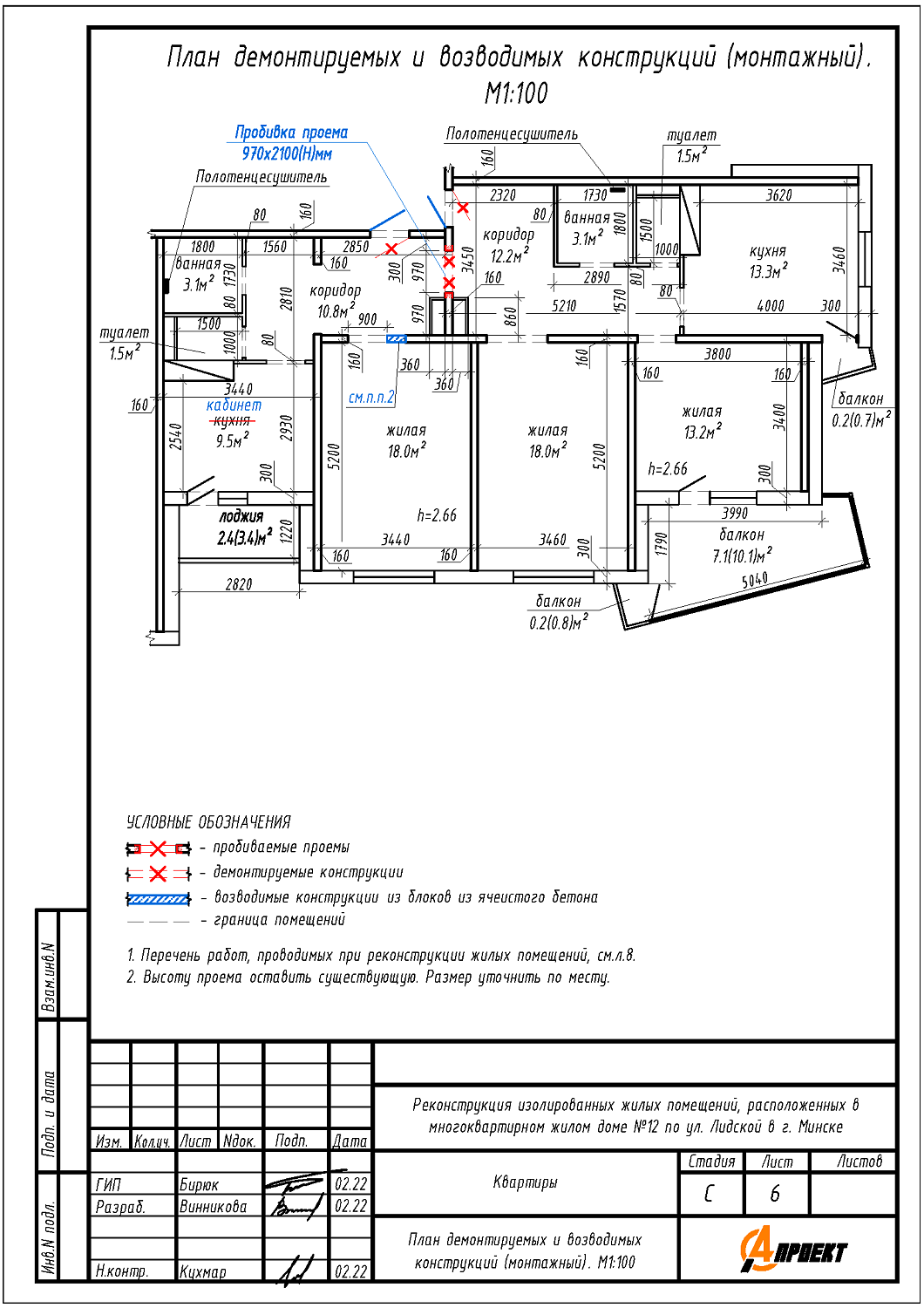
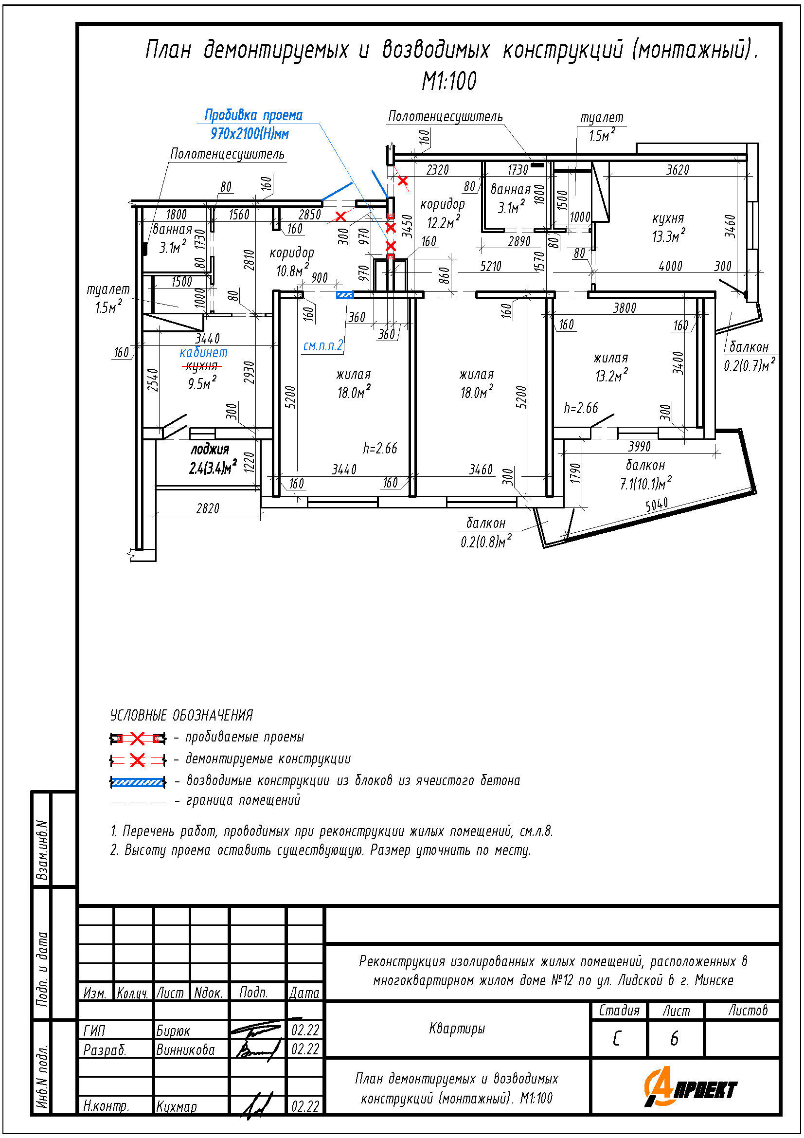
- Устройство дверного проёма в несущей стене между коридором двух квартир, с целью объединения двух квартир в одну;
- Уменьшение ширины дверного проёма из коридора в жилую комнату в одной из квартир;
- Устройство кабинета на площади кухни в одной из квартир.
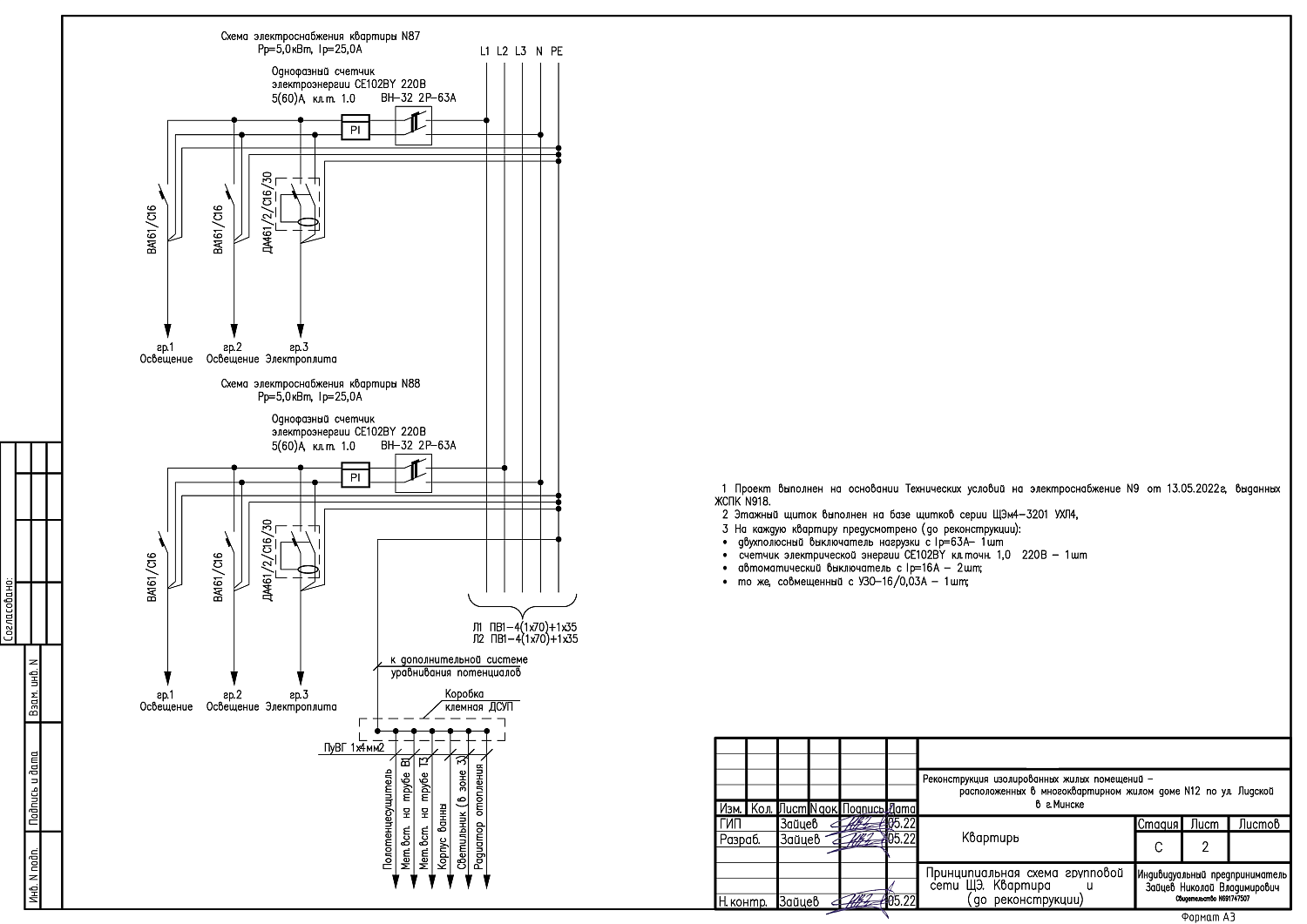
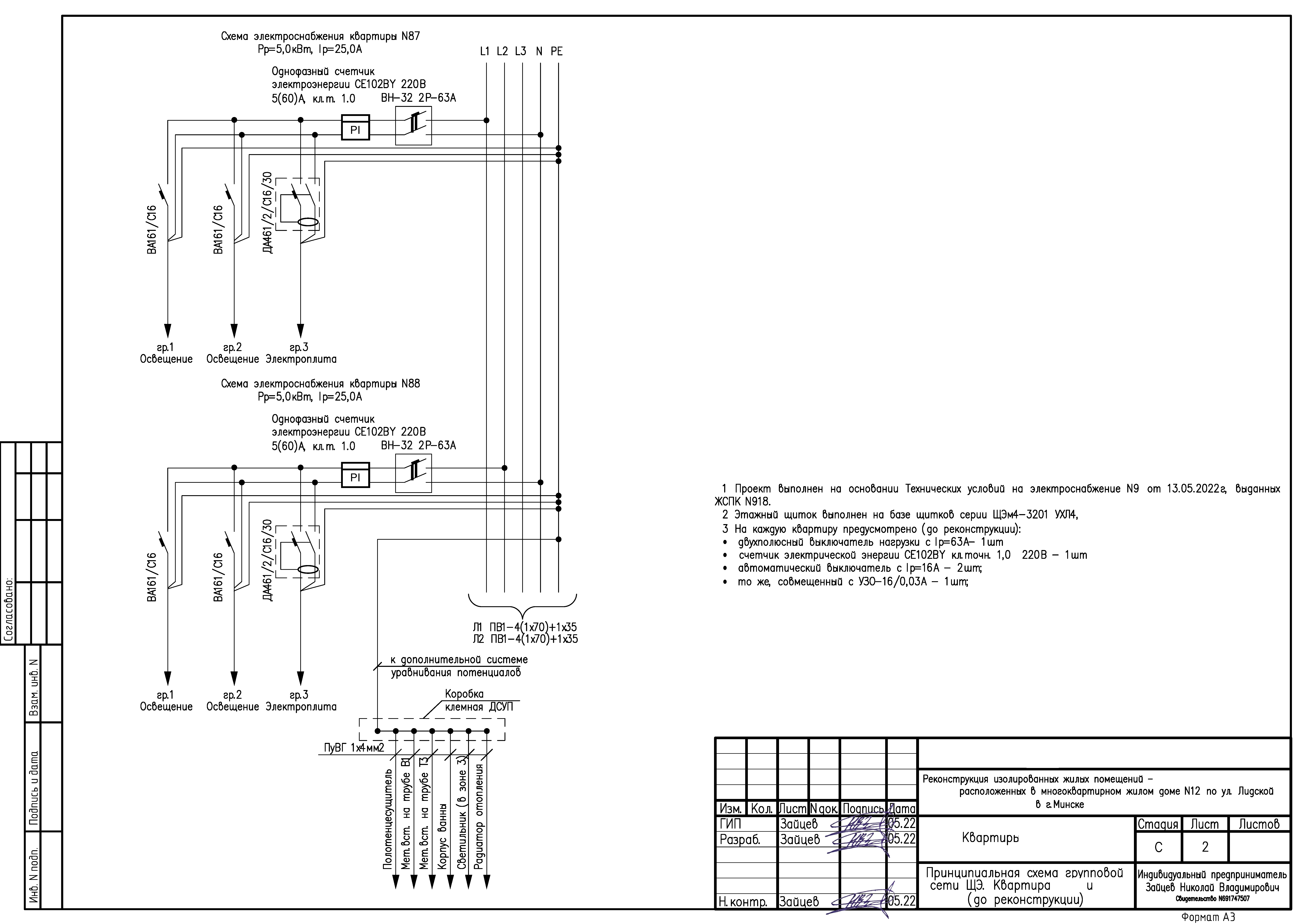
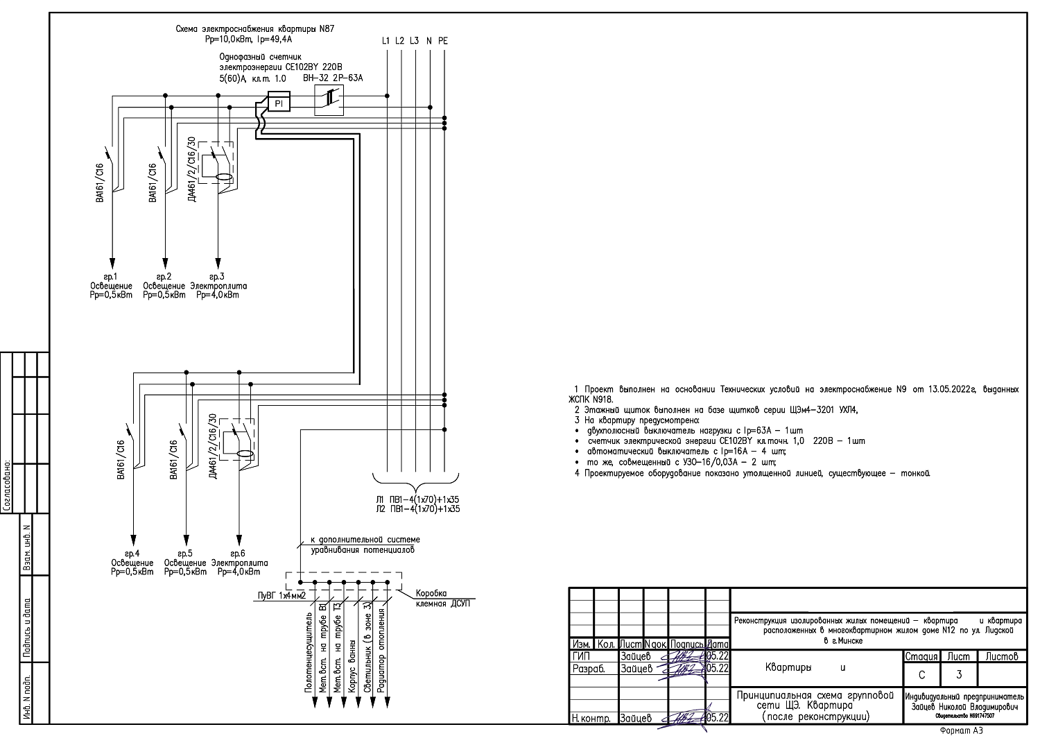
- Переход с газа на электрооборудование.
Нами были разработаны следующие разделы проектной документации для согласования в исполкоме:
- АС - архитектурно-строительные решения;
- ЭМ - электрооборудование. Монтаж.
