Перепланировка квартиры по ул. Калиновского, 74/1 в г. Минске
Пожелания заказчика:
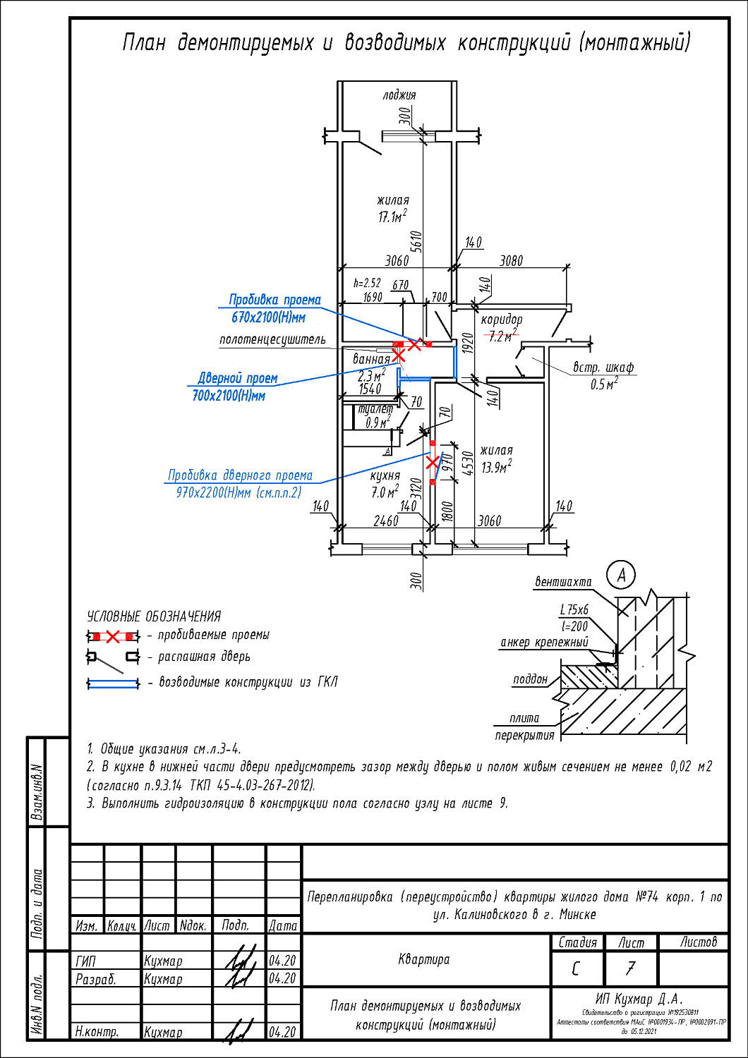
- Устройство дверного проема в несущей стене между жилой 13. 9 м2 и кухней 7.0 м2 с последующим устройством дверного блока;
- Устройство проема в несущей стене между жилой 17.1 м2 и коридором 7.2 м2:
- Смещение дверного проема в перегородке между ванной 2.3 м2 и коридором 7.2 м2;
- Устройство перегородок на части площади коридора 7.2 м2 с целью устройства двух кладовых на части площади коридора 7.2 м2.
Нами были разработаны следующие разделы проектной документации для согласования в исполкоме:
- АС - архитектурно-строительные решения.
