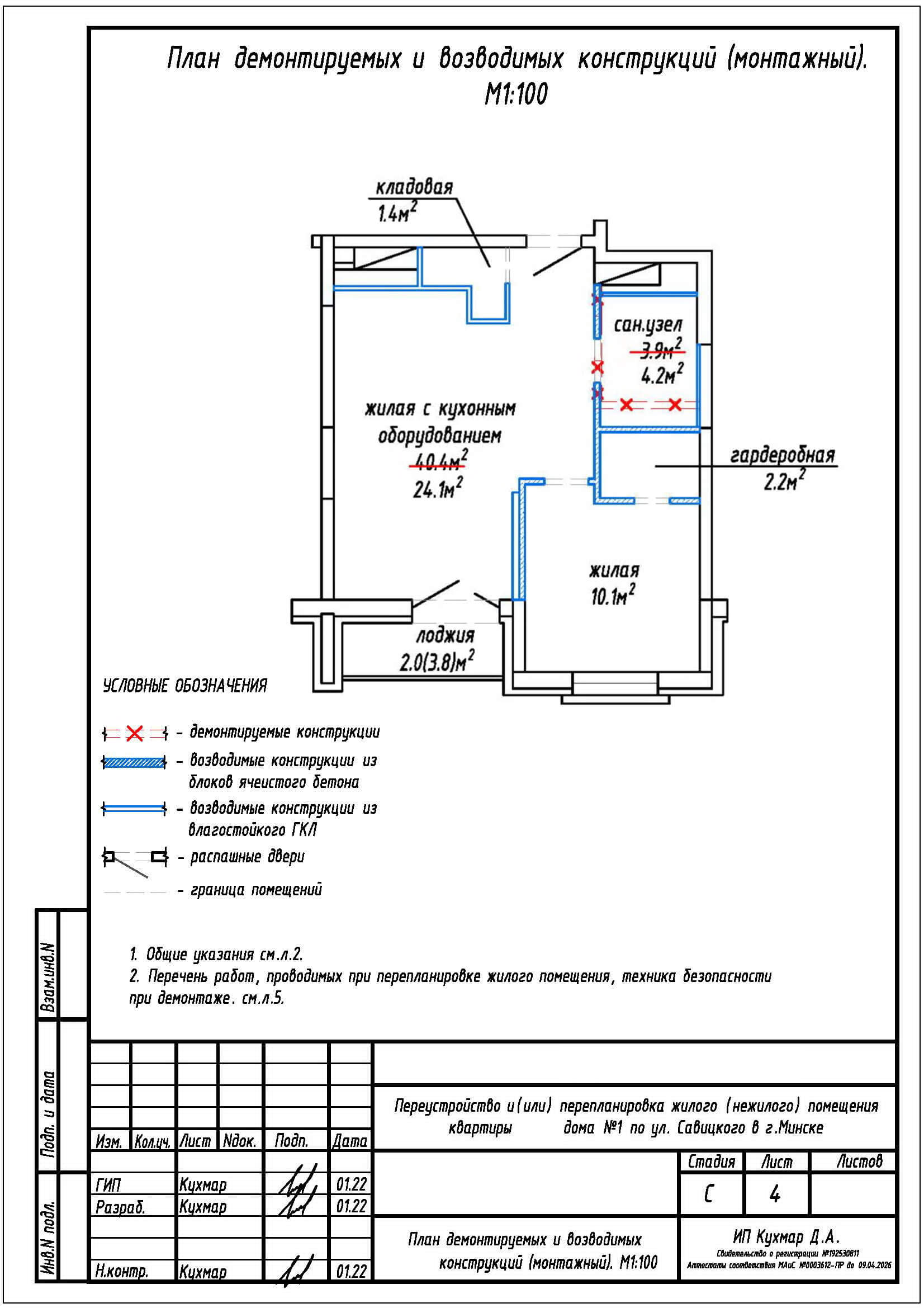
Перепланировка квартиры по ул. Михаила Савицкого, 1 в ЖК «Минск Мир»
Пожелания заказчика:
- Разделение помещения жилой с кухонным оборудованием на жилую с кухонным оборудованием, жилую, кладовую и гардеробную;
- Увеличение площади санузла за счёт части площади жилой, не более чем на 25%;
- Перенос существующих отопительных приборов.
Нами были разработаны следующие разделы проектной документации для согласования в исполкоме:
- АС - архитектурно-строительные решения;
- ОВ - отопление и вентиляция.
