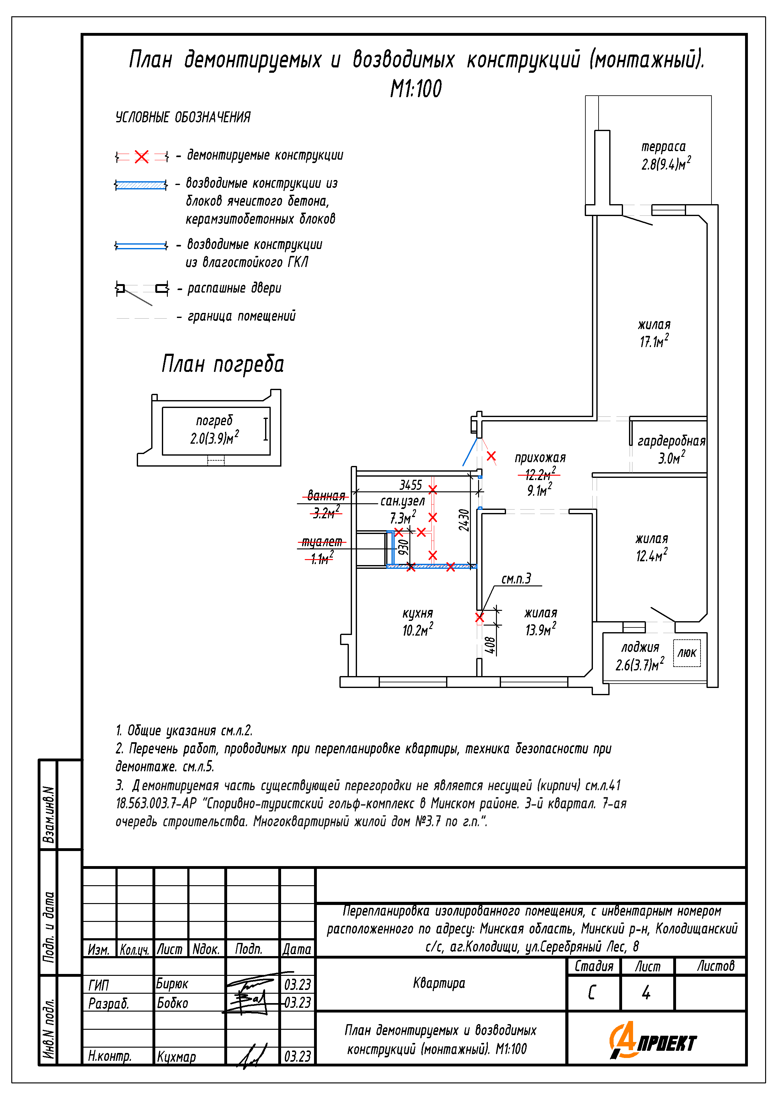
Перепланировка квартиры по ул. Серебряный Лес, 8 в ЖК «Зелёная Гавань»
Пожелания заказчика:
- Объединение ванной и туалета в единый санузел;
- Закладка дверного проёма между кухней и прихожей с целью устройства санузла на части площади прихожей;
- Увеличение дверного проёма между кухней и жилой;
- Смена направления открывания входной двери;
- Сужение дверного проёма между кухней и жилой.
Нами были разработаны следующие разделы проектной документации для согласования в исполкоме:
- АС - архитектурно-строительные решения.
