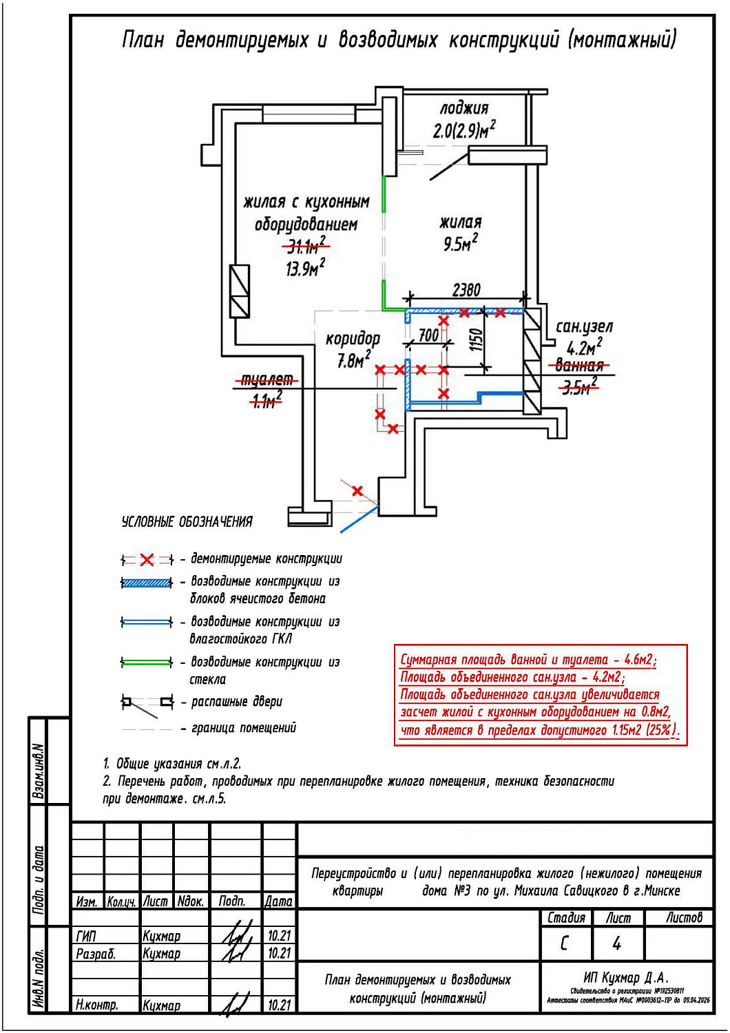
Перепланировка квартиры по ул. Михаила Савицкого, 3 в ЖК «Минск Мир»
Пожелания заказчика:
- Объединение ванной и туалета в санузел;
- Увеличение санузла за счет площади коридора;
- Разделение общего помещения жилой с кухонным оборудованием на отдельную жилую, жилую с кухонным оборудованием и коридор.
Нами были разработаны следующие разделы проектной документации для согласования в исполкоме:
- АС - архитектурно-строительные решения.
