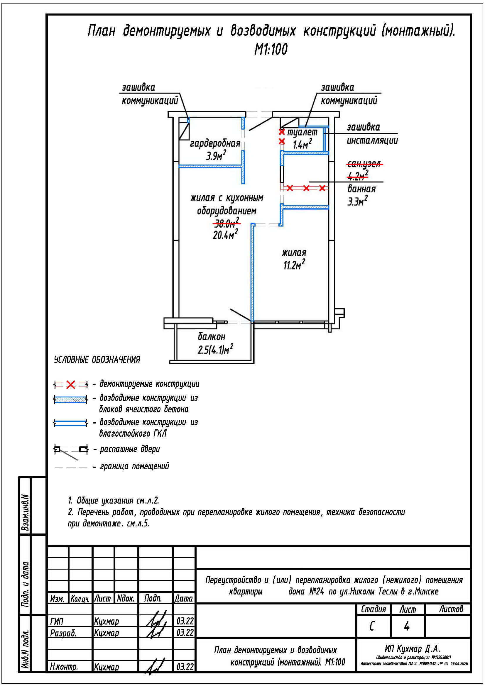
Перепланировка квартиры по ул. Николы Теслы, 24 в ЖК «Минск Мир»
Пожелания заказчика:- Разделение общего помещения жилой с кухонным оборудованием на жилую комнату, жилую с кухонным оборудованием и коридор;
- Устройство туалета на площади санузла;
- Устройство ванной на площади санузла и части жилой с кухонным оборудованием;
- Зашивка коммуникаций и инсталляций в туалете.
- АС - архитектурно-строительные решения.
