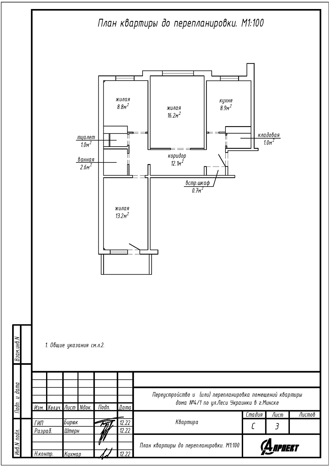
Перепланировка квартиры по ул. Леси Украинки, д.4 корп.1
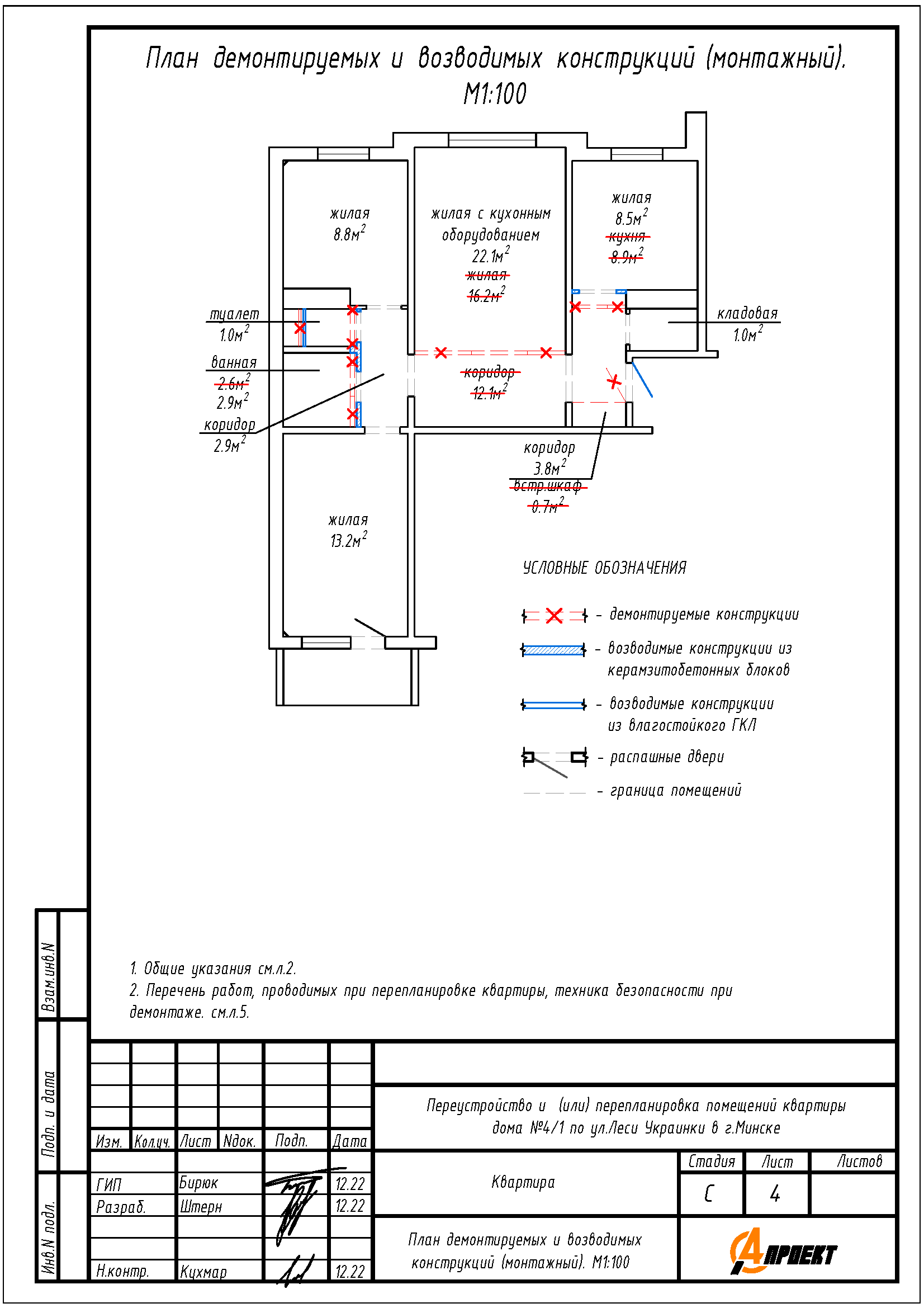
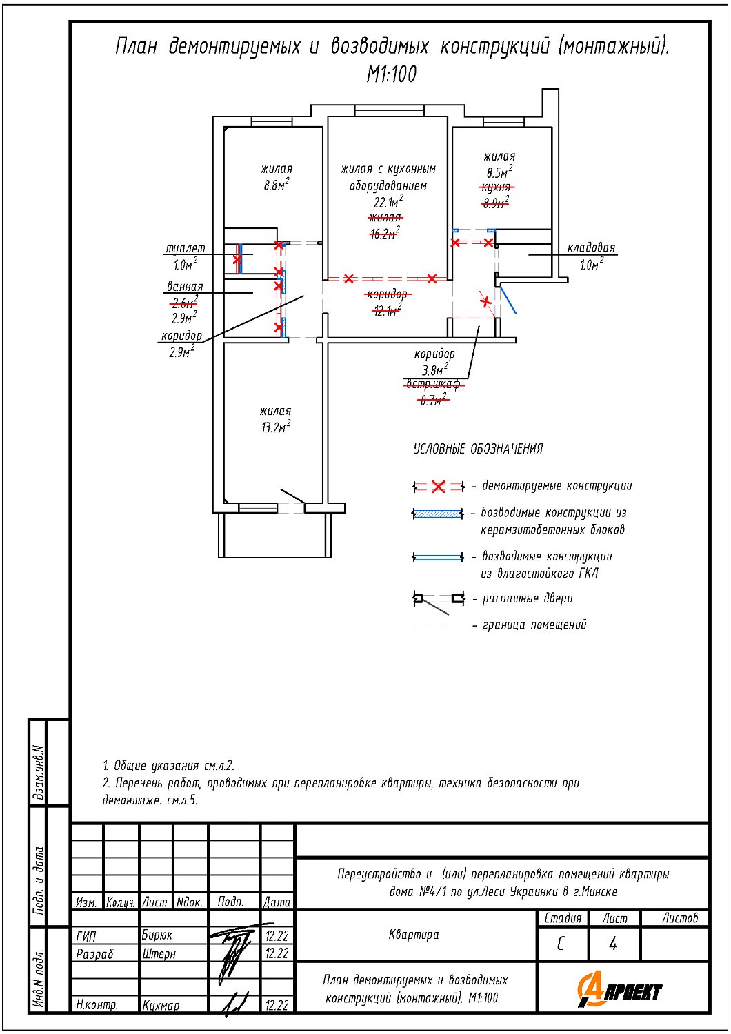
Пожелания заказчика:
- Увеличение площади туалета и ванной за счёт площади коридора;
- Демонтаж перегородки с дверным проёмом между коридором и жилой;
- Устройство жилой с кухонным оборудованием на площади жилой, части площади коридора, устройство жилой на площади кухни;
- Демонтаж перегородки с дверным проёмом между кухней и коридором с последующим устройством перегородки с дверным проёмом на части площади кухни;
- Демонтаж встроенного шкафа;
- Смена направления открывания входной двери.
Нами были разработаны следующие разделы проектной документации для согласования в исполкоме:
- АС - архитектурно-строительные решения.
