Перепланировка квартиры по ул. Кижеватова, 1Б в ЖК «Минск Мир»
Пожелания заказчика:
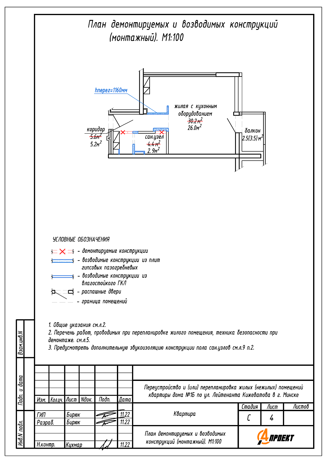
- Устройство перегородок на части площади жилой с кухонным оборудованием;
- Демонтаж части перегородки с дверным проёмом между жилой с кухонным оборудованием и санузлом;
- Частичная закладка дверного проёма санузла, устройство перегородки с дверным проёмом на площади санузла с целью уменьшения площади санузла и устройства коридора на части площади жилой с кухонным оборудованием.
Нами были разработаны следующие разделы проектной документации для согласования в исполкоме:
- АС - архитектурно-строительные решения.
