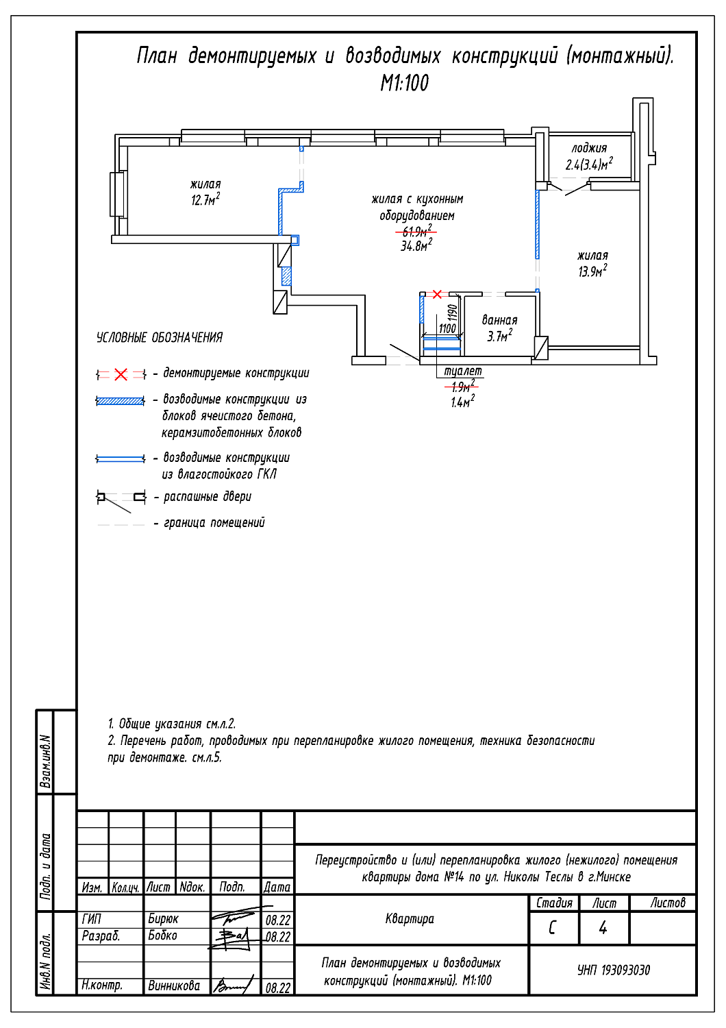
Пожелания заказчика:
- Разделение общей жилой с кухонным оборудованием на жилую с кухонным оборудованием, две жилые;
- Смещение дверного проёма между жилой с кухонным оборудованием и туалетом;
- Устройство зашивок из ГКЛ на части площади туалета;
- Замена и перенос существующих отопительных приборов.
Нами были разработаны следующие разделы проектной документации для согласования в исполкоме:
- АС - архитектурно-строительные решения;
- ОВ - отопление и вентиляция (перенос и замена отопительных приборов);
Состав рабочих чертежей основного комплекта раздела АС:
- План квартиры до перепланировки;
- План демонтируемых и возводимых конструкций (монтажный);
- План квартиры после перепланировки;
- Деталь устройства пола из керамической плитки в санузлах;
- Перечень работ, проводимых при перепланировке жилого помещения;
- Указания по устройству полов.
Состав рабочих чертежей основного комплекта раздела ОВ:
- План квартиры с отоплением (существующий вариант);
- План квартиры с отоплением (проектируемый вариант).
