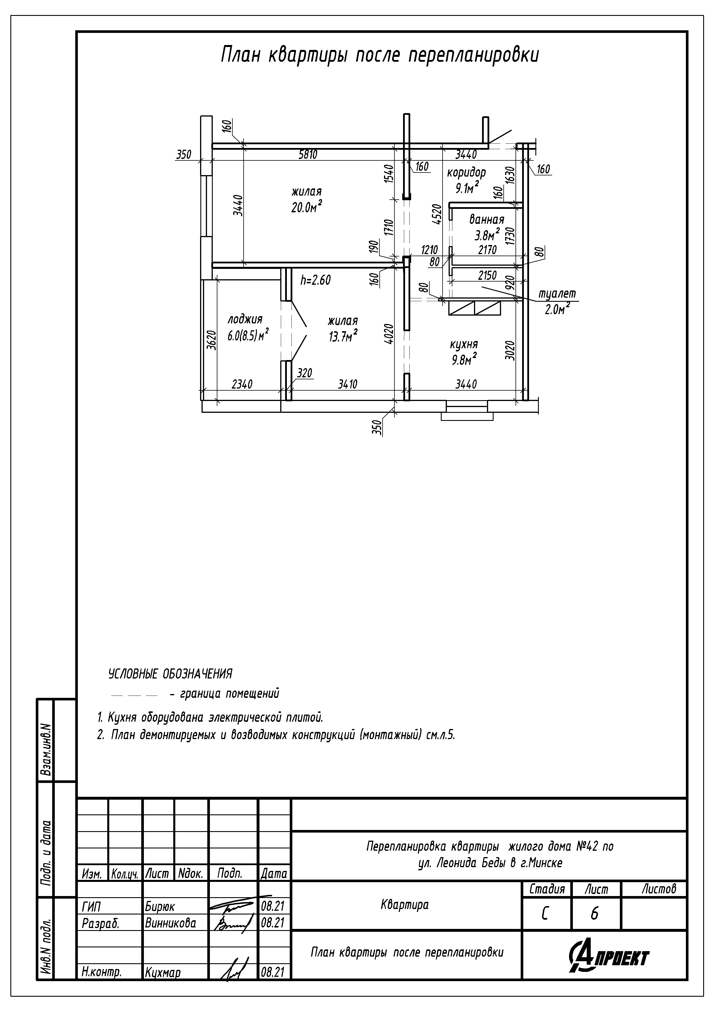
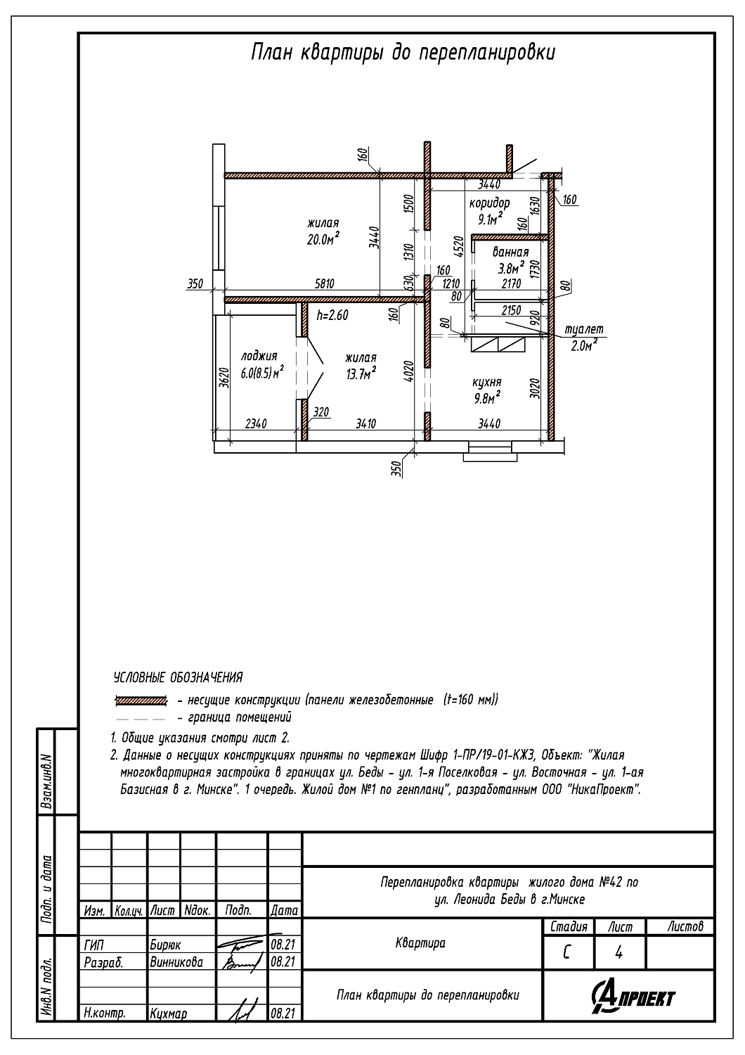
Перепланировка квартиры по ул. Леонида Беды, 42 в ЖК «4 Сезона»
Пожелания заказчика:
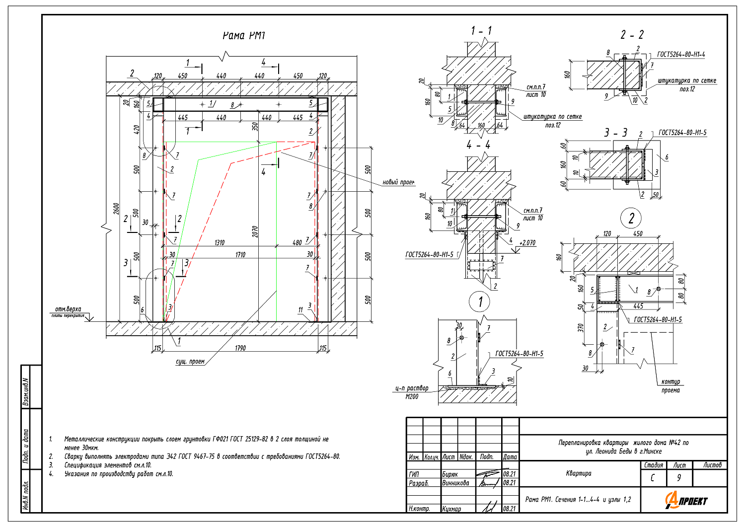
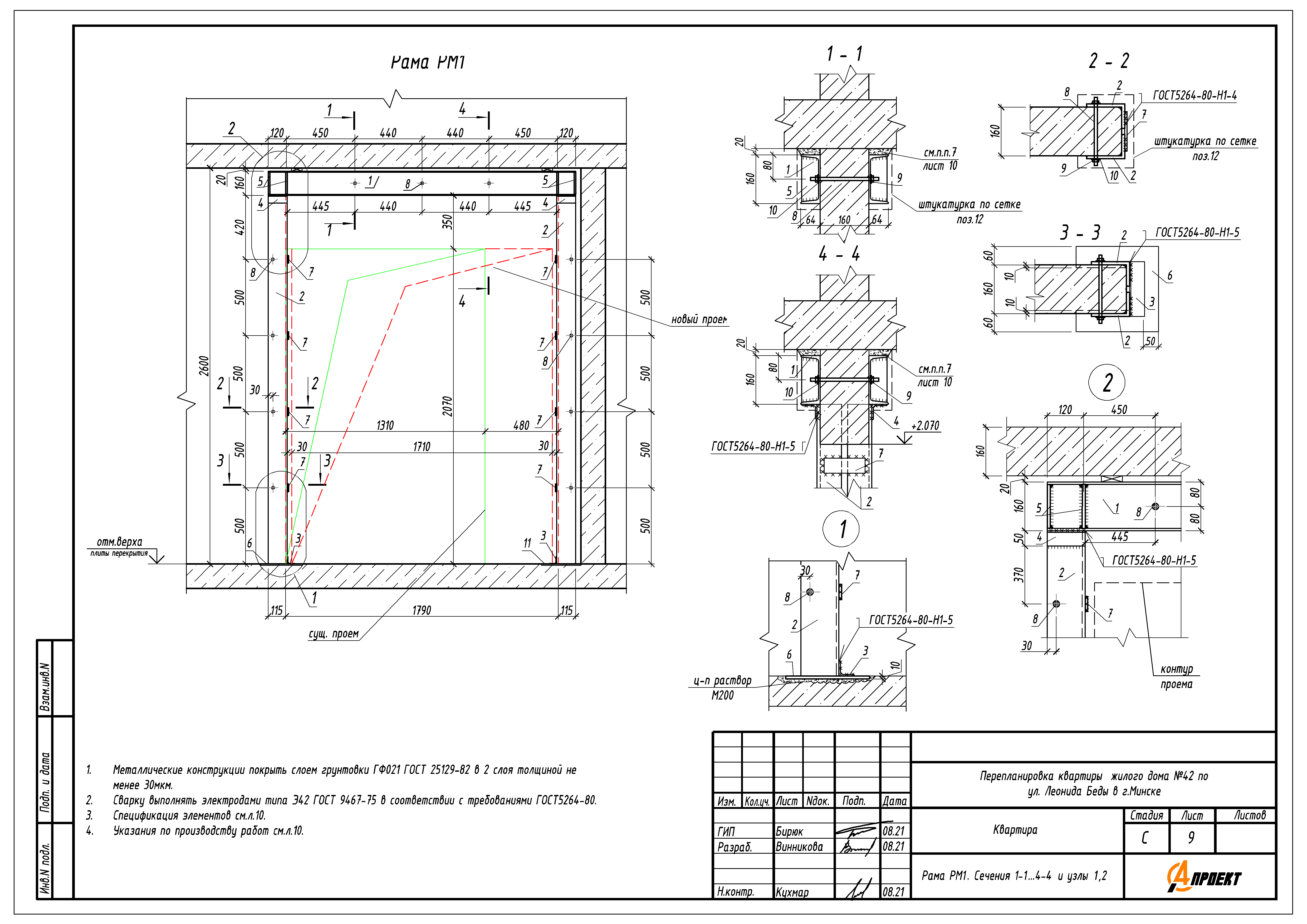
- Увеличение дверного проёма в несущей стене между жилой и коридором.
Нами были разработаны следующие разделы проектной документации для согласования в исполкоме:
- АС - архитектурно-строительные решения.
